<
华东地区领先进口轴承解决方案提供商
销售热线:
021-59919302 15000220063
型号搜索:
首页
关于我们
品牌轴承
瑞典skf轴承
德国FAG轴承
日本NSK轴承
美国TIMKEN轴承
日本NTN轴承
日本KOYO轴承
日本IKO轴承
德国INA轴承
日本NACHI轴承
日本NMB轴承
系列轴承
深沟球轴承
调心球轴承
推力球轴承
角接触球轴承
关节轴承
调心滚子轴承
圆锥滚子轴承
圆柱滚子轴承
外球面球轴承
热销轴承
公司新闻
技术新闻
联系我们
品牌中心
进口轴承
FAG轴承
NSK轴承
NTN轴承
IKO轴承
NACHI轴承
TIMKEN轴承
INA轴承
NMB轴承
联系方式
上海密驰轴承有限公司
电 话:021-59919302
销售一:15000220063
传 真:021-61816705
邮 箱:michizc@163.com
地 址:上海市闵行区保乐路168弄
当前位置:网站首页 > IKO轴承
IKO轴承NBX3530
IKO轴承NBX3530,原装进口全网最低价,特价优惠,021-59919302
型号:
NBX3530
品牌:
IKO
系列:
组合滚针轴承
尺寸:
b:mm D:47mm B:mm
销售电话:
021-59919302
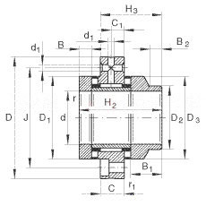
上海密驰轴承专业销售IKO轴承NBX3530,并提供NBX3530轴承的技术图纸与支持,组合滚针轴承NBX3530的内径是MM、外径是47MM、厚度是MM、质量是186、动负荷是26900、静负荷是46200,销售热线:021-59919302。
IKO轴承NBX3530的尺寸参数表
轴承型号:NBX3530 新型号: 旧型号:
品牌:IKO 系列:组合滚针轴承
内径(d):mm 外径(D):47mm 厚度(B):mm
动负荷:26900Cr/kg 静负荷:46200Cr/kg
极限转速: 额定转速:7000
质量(kg):186kg
描述:滚针推力圆柱滚子轴承
IKO轴承NBX3530的样本图片
IKO轴承NBX3530相关轴承推荐
NTN轴承WS81115
NTN轴承GS81213
NTN轴承GS81124
NTN轴承672
NTN轴承694
NTN轴承607
NTN轴承W69/2.5SA
NTN轴承WBC5-13Z
NTN轴承W679Z
NTN轴承623ZZ
NTN轴承BC6-16AZZ
NTN轴承FL682
NTN轴承FLBC5-9
NTN轴承FLW69/1.5ASA
NTN轴承FLWBC5-9Z
NTN轴承604ZZ
分享到:
【
打印此页
】 【
关闭
】
上一条:
IKO轴承NBX3030
下一条:
IKO轴承NBX3530