华东地区领先进口轴承解决方案提供商
销售热线:
021-59919302 15000220063
型号搜索:
首页
关于我们
品牌轴承
瑞典skf轴承
德国FAG轴承
日本NSK轴承
美国TIMKEN轴承
日本NTN轴承
日本KOYO轴承
日本IKO轴承
德国INA轴承
日本NACHI轴承
日本NMB轴承
系列轴承
深沟球轴承
调心球轴承
推力球轴承
角接触球轴承
关节轴承
调心滚子轴承
圆锥滚子轴承
圆柱滚子轴承
外球面球轴承
热销轴承
公司新闻
技术新闻
联系我们
品牌中心
NSK轴承
进口轴承
NTN轴承
IKO轴承
NACHI轴承
TIMKEN轴承
INA轴承
KOYO轴承
FAG轴承
联系方式
上海密驰轴承有限公司
电 话:021-59919302
销售一:15000220063
传 真:021-61816705
邮 箱:michizc@163.com
地 址:上海市闵行区保乐路168弄
当前位置:网站首页 > NSK轴承
NSK轴承29252
NSK轴承29252,原装进口全网最低价,特价优惠,021-59919302
型号:
29252
品牌:
NSK
系列:
调心滚子轴承
尺寸:
b:260mm D:360mm B:60mm
销售电话:
021-59919302
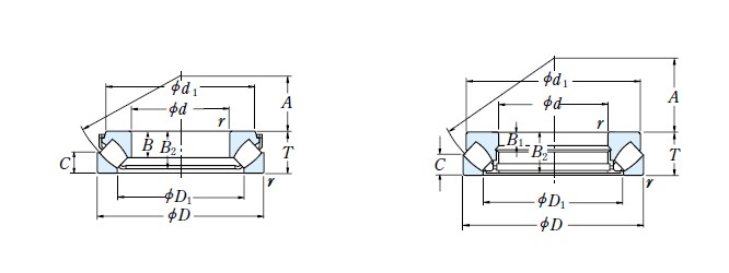
上海密驰轴承专业销售NSK轴承29252,并提供29252轴承的技术图纸与支持,调心滚子轴承29252的内径是260MM、外径是360MM、厚度是60MM、质量是18、动负荷是855000、静负荷是3850000,销售热线:021-59919302。
NSK轴承29252的尺寸参数表
轴承型号:29252 新型号: 旧型号:
品牌:NSK 系列:调心滚子轴承
内径(d):260mm 外径(D):360mm 厚度(B):60mm
动负荷:855000Cr/kg 静负荷:3850000Cr/kg
极限转速:1200 额定转速:
质量(kg):18kg
描述:推力调心滚子轴承
NSK轴承29252的样本图片
NSK轴承29252相关轴承推荐
FAG轴承NU1996M1
FAG轴承NUP204E.TVP2
FAG轴承NUP2305E.TVP2
FAG轴承NJ307E.TVP2
FAG轴承NJ408-M1
FAG轴承NJ310E.TVP2
FAG轴承NJ411-M1
FAG轴承NJ313E.TVP2
FAG轴承NJ414-M1
FAG轴承NJ316E.TVP2
FAG轴承NJ417-M1
FAG轴承NJ319E.TVP2
FAG轴承NJ420-M1
FAG轴承NJ224E.TVP2
FAG轴承NUP326E.TVP2
FAG轴承NUP2230E.M1
分享到:
【
打印此页
】 【
关闭
】
上一条:
NSK轴承29348
下一条:
NSK轴承29252
(工作日:9:00-18:00)
销售热线:
021-59919302
150-0022-0063
24小时热线:
137-6115-5770