华东地区领先进口轴承解决方案提供商
销售热线:
021-59919302 15000220063
型号搜索:
首页
关于我们
品牌轴承
瑞典skf轴承
德国FAG轴承
日本NSK轴承
美国TIMKEN轴承
日本NTN轴承
日本KOYO轴承
日本IKO轴承
德国INA轴承
日本NACHI轴承
日本NMB轴承
系列轴承
深沟球轴承
调心球轴承
推力球轴承
角接触球轴承
关节轴承
调心滚子轴承
圆锥滚子轴承
圆柱滚子轴承
外球面球轴承
热销轴承
公司新闻
技术新闻
联系我们
品牌中心
NSK轴承
进口轴承
NTN轴承
IKO轴承
NACHI轴承
TIMKEN轴承
INA轴承
KOYO轴承
FAG轴承
联系方式
上海密驰轴承有限公司
电 话:021-59919302
销售一:15000220063
传 真:021-61816705
邮 箱:michizc@163.com
地 址:上海市闵行区保乐路168弄
当前位置:网站首页 > NTN轴承
NTN轴承29436
NTN轴承29436,原装进口全网最低价,特价优惠,021-59919302
型号:
29436
品牌:
NTN
系列:
推力轴承
尺寸:
b:180mm D:360mm B:109mm
销售电话:
021-59919302
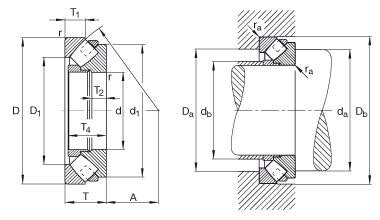
上海密驰轴承专业销售NTN轴承29436,并提供29436轴承的技术图纸与支持,推力轴承29436的内径是180MM、外径是360MM、厚度是109MM、质量是52.9、动负荷是1840、静负荷是6200,销售热线:021-59919302。
NTN轴承29436的尺寸参数表
轴承型号:29436 新型号: 旧型号:
品牌:NTN 系列:推力轴承
内径(d):180mm 外径(D):360mm 厚度(B):109mm
动负荷:1840Cr/kg 静负荷:6200Cr/kg
极限转速:890 额定转速:
质量(kg):52.9kg
描述:推力调心滚子轴承
NTN轴承29436的样本图片
NTN轴承29436相关轴承推荐
FAG轴承NU2216E.TVP2
FAG轴承NU319E.TVP2
FAG轴承NU2224E.TVP2
FAG轴承NU1032M1
FAG轴承NU1040M1
FAG轴承NU2356EX.M1
FAG轴承NJ202E.TVP2
FAG轴承NJ2205E.TVP2
FAG轴承NJ2207E.TVP2
FAG轴承NUP209E.TVP2
FAG轴承NJ211E.TVP2
FAG轴承NJ412-M1
FAG轴承NJ2314E.TVP2
FAG轴承NUP316E.TVP2
FAG轴承NJ318E.TVP2
FAG轴承NJ2220E.TVP2
分享到:
【
打印此页
】 【
关闭
】
上一条:
NTN轴承29236
下一条:
NTN轴承29436
(工作日:9:00-18:00)
销售热线:
021-59919302
150-0022-0063
24小时热线:
137-6115-5770